
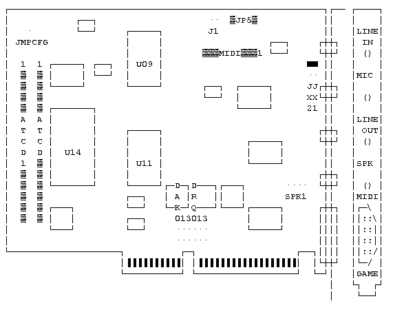
| Microphone | |||||||
| Selector | |||||||
| (JX1, JX2) | |||||||
| Factory Default | |||||||
| (JMPCFG) | |||||||
| Mitsumi | |||||||
| CD-ROM DMA | |||||||
| NOTE: | |||||||
| DAK & DRQ | |||||||
| must match. | |||||||
| ATCD | PANASONIC CD-ROM Interface |
| ATCD1 | MITSUMI/SONY CD-ROM Interface |
| JP5 | CD Audio In |
| MIDI | Wave Table Synthesis Interface |
| J1 | PC-Speaker Connector |
| SPK1 | Multimedia Speaker Connector |
| Socket | Chip | Description |
| U14 | PACKARD BELL | |
| U11 | CS4216-KL EP | |
| U09 | PACKARD BELL |