Sign In
Sign-Up
Welcome!
Close
Would you like to make this site your homepage? It's fast and easy...
Yes, Please make this my home page!
No Thanks
Don't show this to me again.
Close
WARNING: This information is provided "as is" with no warranty. Use at your own risk!
This site is NOT affiliated with PB.
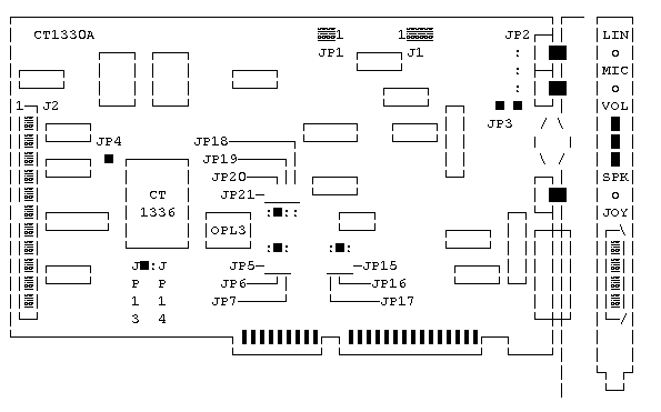
Sound Blaster Pro/Pro II (Pro2) Layout
Sound Blaster Pro
Sound Blaster Pro II (PRO2)
Sound Blaster Pro Layout
Jumpers
I/O ADDRESS SELECT
JP13 JP14
220-237 240-257
IRQ SELECT
JP21 JP20 JP19 JP18
IRQ 2 IRQ 5 IRQ 7 IRQ 10
Sound Blaster Pro II (Pro2) Layout
Jumpers
I/O ADDRESS SELECT
JP13 JP14
220-237 240-257
IRQ SELECT
JP21 JP20 JP19 JP18
IRQ 2 IRQ 5 IRQ 7 IRQ 10
DRQ SELECT
JP5 JP6 JP7
DRQ0 DRQ1 DRQ3
DACK SELECT
JP17 JP16 JP15
DACK0 DACK1 DACK3